网站MK体育(中国)国际平台 - MK SPORTS网站地图联系我们欢迎来到MK体育(中国)国际平台 - MK SPORTS官网!

全国咨询热线

400-8292-918

产品中心
产品中心
当前位置: MK体育(中国)国际平台 - MK SPORTS   >  产品中心   >  冷凝器   >  双机冷凝器
双机冷凝器图片1
双机冷凝器图片2

双机冷凝器

高选用1.1mm双侧强化高效管,将制冷系统中高温高压的制冷剂冷凝成液体,使机组高效运行。管材的材质与厚度直接影响机组寿命,可根据环境工况选用不同的换热管材质及壁厚。
  • 优质铜管
    高换热率

  • 精制管板
    防止泄漏

  • 严格质检
    严控质量

  • 出厂检测
    证书齐全

  • 免费设计
    定制快捷

  • 价格相宜
    服务到位

产品详情

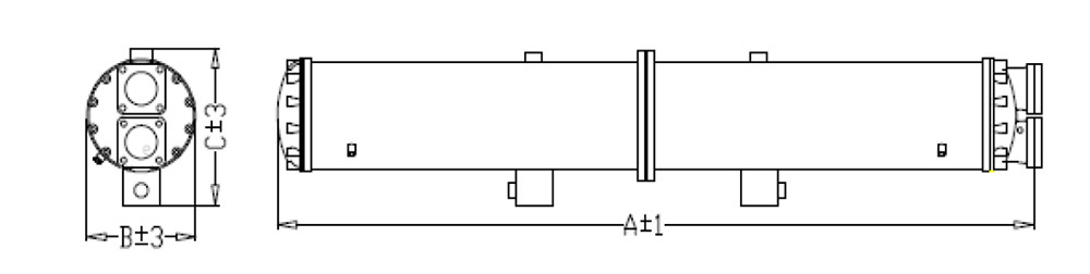
结构图

产品参数

产品参数(参数仅供参考)
 名义换热量(单位:kw)口径(单位:inch)
型号R22R134aR407C进出水口冷媒进口冷媒出口
UCW016B6969622"7/8"5/8"
UCW020B8686772"7/8"5/8"
UCW030B1291291162-1/2"1-1/8"7/8"
UCW035B1501501352-1/2"1-1/8"7/8"
UCW040B1721721543"1-5/8""1-1/8"
....更多型号请咨询客服
UCW430B1845184516618"6"1-3/8"
UCW440B1888188816998"6"1-3/8"
UCW450B1931193117388"6"1-3/8"

管材选项

换热管厚度及材质决定着性能与质量,可根据实际空气和水质选择合适的换热管
  • 标准铜管(紫铜)

    适用于一般生活用水,无污染的中性水,中性醇类液

  • 镍铜管

    适用于无硫化物污染的海水、江河水氯化钙溶液、乙二醇溶液等PH值近中性的溶液

  • 铝黄铜管

    适用于江河水、氯化钙溶液、乙二醇溶液无硫化物污染的海水等

  • 304/306L不锈钢管

    适用于还原性盐、无机酸和有机酸、碱、盐等腐蚀环境中。不可合适在停含氯离子溶液

  • 纯钛管

    适用于酸性、碱性、中性盐水溶液中

好工厂——6个工艺标准

严格执行加工标准工艺,做耐用的产品
  • 酸洗工艺

    采用特有酸洗工艺除油污、氧化皮和铁锈,防止生锈

  • 焊接工艺

    采用米勒焊机及ASME标准CO2药芯焊丝

  • 胀管工艺

    采用德国数控胀管设备有效保障胀管质量

  • 探伤工艺

    拥有探伤室,产品焊缝经无损检测

  • 水密试验

    拥有10米水密检测设备,产品无泄漏

  • 气压试验

    产品经2.5MPa-4.5MPa压力测试,达安全标准

  • 联合公众号

  • 联合抖音号

联系我们

全国统一销售热线:

400-8292-918
地址:广州经济技术开发区东区北片果园四路一号

2022 版权所有:MK体育(中国)国际平台 - MK SPORTS

粤ICP备16109539号-1

2022 版权所有:MK体育(中国)国际平台 - MK SPORTS

粤ICP备16109539号-1